水芯M12359系列芯片首创PD3.1快充放电平台
随着PD3.1时代的到来以及移动互联网的快速发展,人们的生活也越来越离不开移动互联网,市面上手机、笔记本、平板等产品越来越多。随之而来的就是五花八门的充电接口和充电协议,这使得消费者不得不购买各种充电器。而充电器泛滥也成为消费者的一大烦恼之事。
为解决这一问题以及可能会发生的其他各类型的痛点问题,MERCHIP水芯电子推出了全系列快充放电平台。目前这一系列开发平台已在倍思等多家大客户量产。
M12359作为快充放电平台的明星产品,兼备MERCHIP水芯电子多项突破性技术。它是一款智能功率分配的多口快充SOC芯片,具备智能功率分配功能,支持PD3.1协议。支持双C口同时输出时无级动态功率分配技术。在双C口同时快充时,A口还可以支持耳机充电。两个C口最高输出功率可达140W。
不仅如此,该芯片还突破了多项行业技术瓶颈,实现了140W苹果笔记本和苹果手机同时快充,而且A口还能为耳机充电提供的全球最高集成度方案,其智能化功能和超高性能再次刷新了行业认知。这也是继苹果发布双C口35W充电器之后,我国首家自主研发的芯片实现了苹果定制芯片的“无级动态功率分配”方案。
同时MERCHIP水芯电子史无前例的彻底解决了“多口充电干扰难题”。也就是第二部手机插入不会引起第一部手机复位、重启,进而出现手机重新亮屏和叮咚响的头疼现象。
除上述描述之外,这颗“芯”到底还能有多强大。
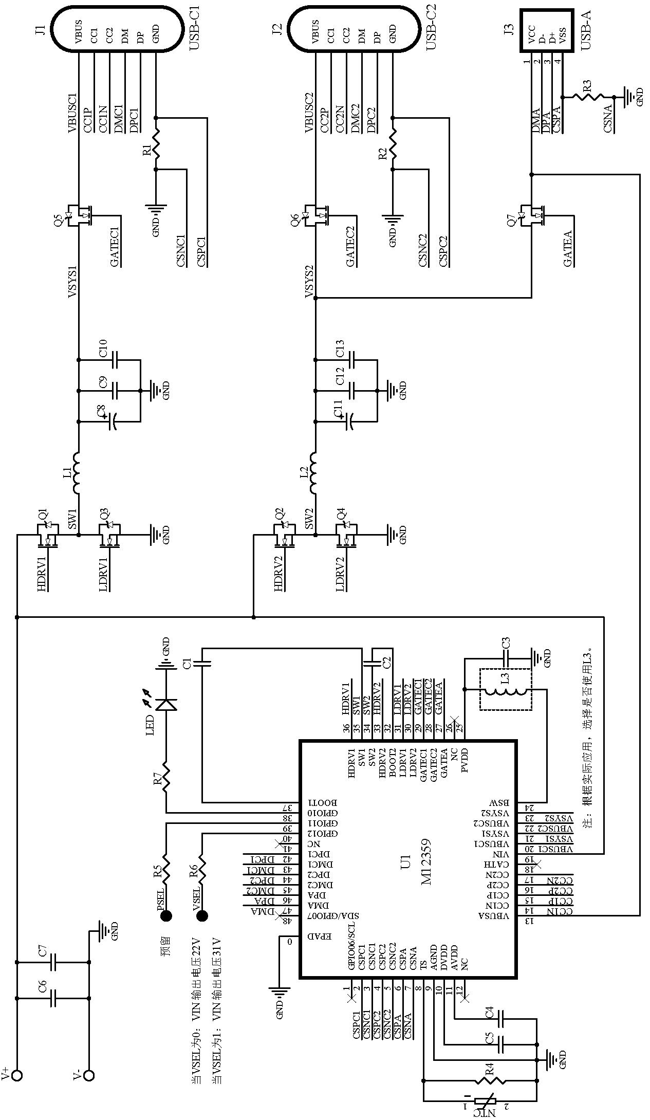
芯片示意图

CCA三口快充样板(正)

CCA三口快充样板(反)
M12359的十一大亮点
亮点1
M12359是一颗C+CA三口快充140W PD3.1独立降压的SOC芯片。三口都支持快充。芯片两个C口都兼容PD3.0/PPS,并扩展支持PD3.1协议的28V/5A固定PDO和15~28V@5A的AVS功率输出。这也是目前行业唯一支持3口快充的单芯片方案,集成度和体积优势无与伦比。
亮点2
M12359的功率分配功能登峰造极。由于集成了双路USB Type-C接口,M12359可以支持两路C口输出。每个接口均支持快充,2个接口均接入设备时,“无级”动态调整各接口的输出功率。
亮点3
M12359凭借满载近99%的巅峰效率,再次刷新了大功率升降压电源的效率记录,温度表现无与伦比。
亮点4
M12359在国内率先解决了插入多个负载会复位的行业问题,消费者再也不用烦恼插入第二部手机时,第一部手机会重启充电、亮屏并响一声的体验问题。
亮点5
M12359刷新了多路快充SOC芯片的最高集成度。除了微处理器、电压变换器、快充协议控制器、高精度16-bitADC、安全保护模块、NTC温度检测、快充协议解析等常规单元,M12359还集成了环路补偿、双路独立USB Type-C接口以及显示接口。
亮点6
M12359刷新了电压精度的记录,达到10mV精度。得益于内置的高精度、高线性度的模-数转换功能,M12359支持最小10mV的电压采样和10mV精度的电压输出,并保持满量程的高线性度,而不是大部分公司的分段线性。
亮点7
M12359集成了双路USB Type-C接口、PDPHY以及协议层解析功能,支持设备插拔自动检测和设备类型的识别,兼容PD、QC、SCP、FCP、AFC、APPLE 2.4A、BC1.2DCP等主流的快充协议。根据接入设备的功率请求,自动匹配最优的电压和电流输出。
亮点8
M12359可以实现2颗芯片级联,轻松完成4-6路4C2A口支持“无级功率分配”功能输出。
亮点9
M12359协议单板可完成多路快充,相比多个协议单板的方式数倍提升生产效率,大幅降低生产成本。
亮点10
M12359支持IIC接口,提供SDK工具包和开发环境,支持客户二次开发。从此多口快充的设计将变得易如反掌。
亮点11
该快充多口充开发平台可以适用于所有客户对于多口充的个性化需求,工厂备料型号少,库存少。同时也节省了80%研发时间和人力投入,可以实现快速量产出货。

M12359规格书示意图

典型应用原理图
下面我们就一起来看下MERCHIP水芯电子的M12359在实际应用中的情况。

单C口插入可以提供最大140W给苹果笔记本充电。

C1插入苹果笔记本,C2口插入苹果13,C1口输出功率100W,C2口最大输出功率18W。
在给苹果140W,iPhone13同时快充是,a口仍然能给耳机充电,此时,c1口功率100W,c2口功率18W,A口为普通充电。
“无级功率分配”指的是一个口广播功率之外所有功率丝毫无差的动态分配给第二个口或其他几个口。当有一个口手机拔出后,其他口将重新分配功率,并对外广播。比如总功率100W,第一个C口分配了60瓦,第二个C口就分配40W,或者第一个C口分配了61W,第二个口就分配39W。

无级功率分配功能演示图
实际应用案例(总功率35W):
当单插C1口时,此时的功率为35W。
C2口插入后,当前C2口功率为15W,C1口功率降到为20W。

当C2口功率下降到1W时,C1口功率回复到34W
由此可以看出来,M12359的“无级功率分配”功能,实现了任意单口输出均可满功率、多口同时工作时可以智能分配功率并最大化利用充电器功率为用电设备充电。
再看效率方面,M12359的效率也是行业中出类拔萃的存在。

效率曲线示意图
从效率曲线示意图来看,MERCHIP水芯电子M12359在直通模式下,效率可达99%,远远高出行业内的其他芯片效率,可谓是独领鳌头。
这款M12359目前可以广泛应用在车充、多口充电器、HUB、排插、储能等领域。并且,该芯片已经在倍思等多家业界知名客户端量产。
也欢迎各位行业朋友申请样品。
联系方式:
彭先生:15827268747
除了M12359,MERCHIP水芯电子还推出全面的快充放电平台解决方案:
| 应用场景 | 芯片型号 |
| C口单路升降压100W车充、储能 | M12315 |
| C口单路升降压140W车充、储能 | M12345 |
| CA口单路降压100W充电器、储能 | M12316 |
| CA口单路降压140W充电器、储能 | M12346 |
| CC口单路降压100W充电器、储能 | M12317 |
| CC口单路降压140W充电器、储能 | M12347 |
| C+C口双路升降压100W储能 | M12318 |
| C+C口双路升降压140W车充、储能 | M12348 |
| C+A口双路升降压100W储能 | M12319 |
| C+A口双路升降压140W车充、储能 | M12349 |
| C+A口双路降压100W充电器、储能 | M12327 |
| C+C口双路降压100W充电器、储能 | M12328 |
| CCA单路降压100W充电器、储能 | M12336 |
| CCA单路降压140W充电器、储能 | M12366 |
| C+CA双路降压100W充电器、储能 | M12329 |
| C+CA双路降压100W充电器、储能 | M12329V |
| C+CA双路降压140W充电器、储能 | M12359 |
| C+C+A三路降压100W充电器、储能 | M12339 |
| C+C+A三路降压100W充电器、储能 | M12339V |
| C+C+A三路降压140W充电器、储能 | M12369 |
| C+C+AA三路降压100W充电器、储能 | M12338 |
| C+C+AA三路降压100W充电器、储能 | M12338V |
| C+C+AA三路降压140W充电器、储能 | M12368 |
MERCHIP水芯电子凭借可重构数字电源芯片技术努力为快充行业客户提供最新最快捷的快充芯片和方案个性化定制服务,最好的满足全球消费者的个性化需求。
作为国内唯一、业界领先的可重构电源芯片公司,MERCHIP水芯将联合全球各个领域的优质客户,在消费电子、物联网、家电、医疗、工业、电力、通信、服务器、光伏、储能、汽车等诸多领域实现底层技术创新,逐步建成全球的先进技术创新中心。公司汇聚了多名来自ADI、Renesas、OnSemi等全球著名芯片公司的技术专家和管理、销售人才。水芯的目标就是彻底解决TI等美国芯片巨头的技术垄断。同时逐步实现模拟电源芯片的全面数字化。






